Elektroheizung defekt
-
Ampera-Peter
- 16 kWh - fährt
- Beiträge: 33
- Registriert: 10. Okt 2012 16:42
- Kontaktdaten:
Elektroheizung defekt
Die Elektroheizung funktioniert nicht. Beim Klimabild wird zwar angezeigt, dass die Heizung "ein" ist, es wird aber nicht warm und es wird kein Stromverbrauch angezeigt.
Nur wenn der Verbrenner läuft wird es warm.
Wer weiß welche Sicherung für die Heizung zuständig sein könnte ?
In der Bedienungsanleitung habe ich nichts gefunden.
Nur wenn der Verbrenner läuft wird es warm.
Wer weiß welche Sicherung für die Heizung zuständig sein könnte ?
In der Bedienungsanleitung habe ich nichts gefunden.
- Andreas Ranftl
- 1.21 Gigawatt
- Beiträge: 1179
- Registriert: 21. Nov 2016 22:59
- Wohnort: 83377 Vachendorf
- Kontaktdaten:
Re: Elektroheizung defekt
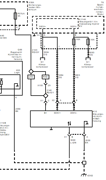
Ich gebe dir mal die Übersicht was an der Innenraumheizung so dran ist-lass aber Finger davon,das macht der HV Mann beim Händler!!
Du darfst aber gerne die UA37 prüfen
Du darfst aber gerne die UA37 prüfen
Was hat noch Räder bei mir? Sommerfahrzeug Opel Senator B 24V Automatik 1990,C30SE-Opel Mokka A 1,4 LE2 Allrad Autom.,Anhänger Monty B11,800kg,1998
-
Ampera-Peter
- 16 kWh - fährt
- Beiträge: 33
- Registriert: 10. Okt 2012 16:42
- Kontaktdaten:
Re: Elektroheizung defekt
@ Andreas
Danke für den Schaltplan.
Die F37UA ist sicher nur eine Steuersicherung. Die Steuerung funktioniert ja, denn bei Klima wird ja Heizung "ein" angezeigt.
Interessant wäre wohl die 30A - Sicherung mit 300V. Wo kann die denn sitzen ?
Mit gefährlichen Spannungen kenne ich mich aus. Habe früher mit 10000V gearbeitet.
Einen Termin beim Händler habe ich schon. Der Spezialist kommt aber erst Ende nächster Woche wieder.
Hoffentlich kriegt er bis dahin kein Corona.
Danke für den Schaltplan.
Die F37UA ist sicher nur eine Steuersicherung. Die Steuerung funktioniert ja, denn bei Klima wird ja Heizung "ein" angezeigt.
Interessant wäre wohl die 30A - Sicherung mit 300V. Wo kann die denn sitzen ?
Mit gefährlichen Spannungen kenne ich mich aus. Habe früher mit 10000V gearbeitet.
Einen Termin beim Händler habe ich schon. Der Spezialist kommt aber erst Ende nächster Woche wieder.
Hoffentlich kriegt er bis dahin kein Corona.
- Andreas Ranftl
- 1.21 Gigawatt
- Beiträge: 1179
- Registriert: 21. Nov 2016 22:59
- Wohnort: 83377 Vachendorf
- Kontaktdaten:
Re: Elektroheizung defekt
Sicherung ist in der Baugruppe Wechselrichter,steht so im Plan.Den schwarzen Rahmen um den Wechselrichter ab,darunter unter einem Deckel,lockerschrauben und umdrehen.Aber lass das den mal machen
Die 37 gehört genauso zur Prüfung,Anzeigen kann er viel....
Die 37 gehört genauso zur Prüfung,Anzeigen kann er viel....
Was hat noch Räder bei mir? Sommerfahrzeug Opel Senator B 24V Automatik 1990,C30SE-Opel Mokka A 1,4 LE2 Allrad Autom.,Anhänger Monty B11,800kg,1998
-
Ampera-Peter
- 16 kWh - fährt
- Beiträge: 33
- Registriert: 10. Okt 2012 16:42
- Kontaktdaten:
Re: Elektroheizung defekt
Also, jetzt heizt er wieder. Das Luftheizgerät war defekt.
Das Heizgerät hat netto 741 € gekostet. Mit Aus- und Einbau und Steuer waren es dann 1838 €.
Man gönnt sich ja sonst nichts.
Naja, dank 16% Steuer immerhin noch 50 € gespart.
Das Heizgerät hat netto 741 € gekostet. Mit Aus- und Einbau und Steuer waren es dann 1838 €.
Man gönnt sich ja sonst nichts.
Naja, dank 16% Steuer immerhin noch 50 € gespart.
- Andreas Ranftl
- 1.21 Gigawatt
- Beiträge: 1179
- Registriert: 21. Nov 2016 22:59
- Wohnort: 83377 Vachendorf
- Kontaktdaten:
Re: Elektroheizung defekt
Wie siehts mit dem Altteil aus?Hast du das mitgenommen?Da muss reingeschaut werden was da los ist
Sonst liegts im Alu-Abteilung Edelschrott.
Was hat noch Räder bei mir? Sommerfahrzeug Opel Senator B 24V Automatik 1990,C30SE-Opel Mokka A 1,4 LE2 Allrad Autom.,Anhänger Monty B11,800kg,1998
-
Ampera-Peter
- 16 kWh - fährt
- Beiträge: 33
- Registriert: 10. Okt 2012 16:42
- Kontaktdaten:
Re: Elektroheizung defekt
Das Altteil habe ich nicht mitgenommen. Ich hoffe doch, dass meine Opel-Werkstatt das ordnungsgemäß entsorgt.
Wer ist online?
Mitglieder in diesem Forum: Bing [Bot], Google [Bot] und 4 Gäste